Warning: "continue" targeting switch is equivalent to "break". Did you mean to use "continue 2"? in /home/users/p/prom-auto/domains/prom-auto.ru/wiki/inc/parser/handler.php on line 1458
Контроллер UPS "Beeper"
Устаревшее устройство!
Рекомендуется использовать
Рекомендуется использовать
UPS Nano последней версии.
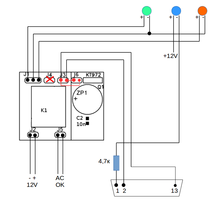
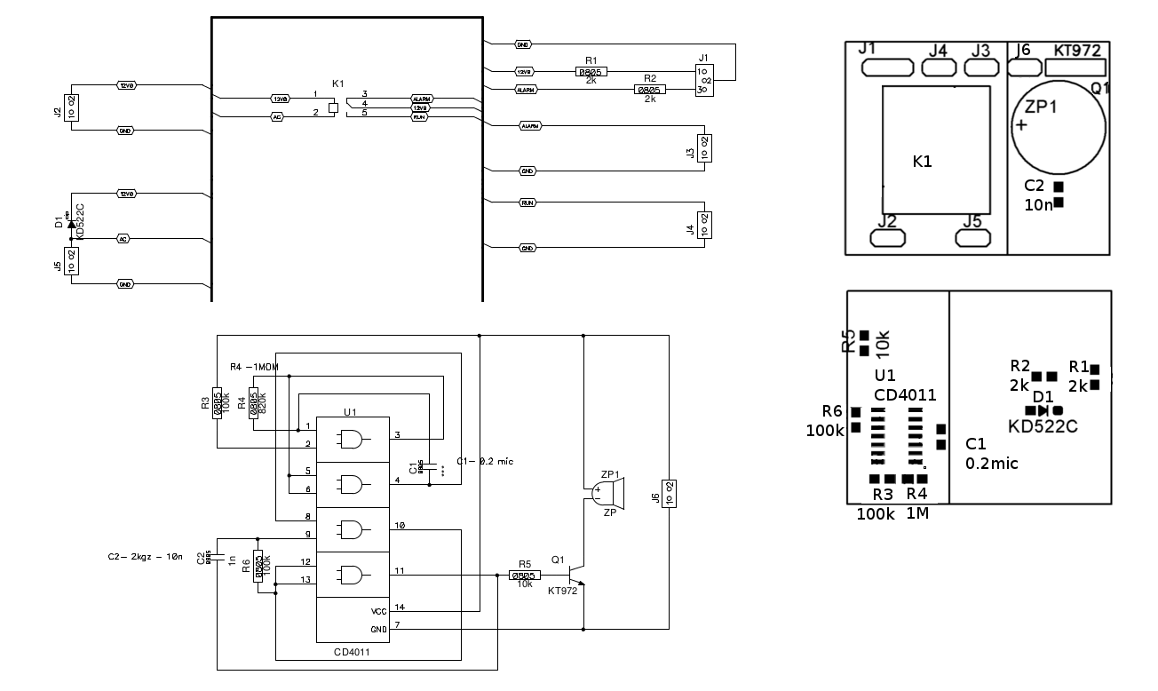
| Разъем | Назначение |
|---|---|
| J1 | Светодиоды: 1-PowerLed, 2-GND, 3-BatteryLed |
| J2 | Вход питания: 1-Gnd, 2-+12V |
| J3 | Выход, работающий при AC=off: 1-Gnd, 2-+12V |
| J4 | Выход, работающий при AC=on: 1-Gnd, 2-+12V |
| J5 | Вход AC, сухой контакт |
| J6 | Вход питания пищалки (соединить с J3): 1-Gnd, 2-+12V |
Внимание! На плате не правильная маркировка. Расположение деталей смотреть по схеме.

